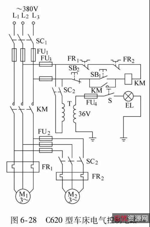
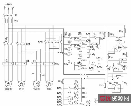
实力派教程书!「门老师教你快速看懂电子电路图」适合广大电子技术初学者、家电维修和相关从业人员学习!并可作为职业技术学校和务工人员上岗培训的基础教材!
电子电路图,是电子线路设计者、电子产品维修人员以及家电产品销售人员必须掌握的基本技能。
电子电路图的种类很多,按不同的分类方法可分为:
(1)按照信号传输方式的不同可分为模拟电路和数字电路;按信号的波形不同可分为正弦波和非正弦波;按信号的大小不同可分为微功率放大器和大功率放大器;按电源类型不同可分直流稳压电源、交流稳压器和开关电源(又称开关整流器)等。
(2)按照元器件的种类不同可以分为电阻、电容、电感、二极管(或三极管)、晶体三极管(或场效应管)、集成电路等。
(3)按照元器件的连接方式的不同可以分为并联式与串联式两种类型。(1)并联式:由一个元件通过导线直接连接到另一个元件上。
(2)串联式:两个元件之间通过导线相连接,但这两个元件不是同一个半导体器件,如晶体管或场效应管等。
(4)混合式:由以上三种类型的器件混合使用构成的一个整体电路。
(5)根据功能的不同又可以将电子电路图分为基本单元型及组合单元型两类。(1)基本单元型是指将一些最基本的元器件组装在一起构成的完整系统,(2)组合单元型是将若干个基本单位组成一个完整的系统。(5)在实际应用中常采用混合型的电子电路图形式来描述复杂的功能模块结构及其内部工作过程.
由于电子技术发展迅速,新工艺新技术层出不穷.因此对于广大初学者来说
实力派教程书!「门老师教你快速看懂电子电路图」适合广大电子技术初学者、家电维修和相关从业人员学习!并可作为职业技术学校和务工人员上岗培训的基础教材!
实力派教程书!「门老师教你快速看懂电子电路图」适合广大电子技术初学者、家电维修和相关从业人员学习!并可作为职业技术学校和务工人员上岗培训的基础教材!
实力派教程书!「门老师教你快速看懂电子电路图」适合广大电子技术初学者、家电维修和相关从业人员学习!并可作为职业技术学校和务工人员上岗培训的基础教材!
| 本地下载 | - MB 下载 |
